
Datasheet 117
Intel
®
Celeron
®
Processor up to 1.10 GHz
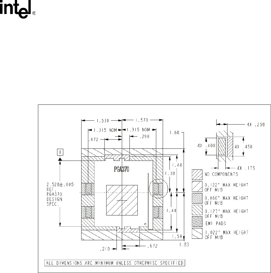
6.2.1.2 Boxed Processor Thermal Cooling Solution Clip
The boxed processor thermal solution requires installation by a system integrator to secure the
thermal cooling solution to the processor after it is installed in the 370-pin socket ZIF socket.
Motherboards designed for use by system integrators should take care to consider the implications
of clip installation and potential scraping of the motherboard PCB underneath the 370-pin socket
attach tabs. Motherboard components should not be placed too close to the 370-pin socket attach
tabs in a way that interferes with the installation of the boxed processor thermal cooling solution
(see Figure 41 for specifications).
6.3 Electrical Requirements for the Boxed Intel
®
Celeron
®
Processor
6.3.1 Electrical Requirements
The boxed processor's fan heatsink requires a +12 V power supply. A fan power cable is shipped
with the boxed processor to draw power from a power header on the motherboard. The power cable
connector and pin-out are shown in Figure 42. Motherboards must provide a matched power header
to support the boxed processor. Table 58 contains specifications for the input and output signals at
the fan heatsink connector. The fan heatsink outputs a SENSE signal (an open-collector output)
that pulses at a rate of two pulses per fan revolution. A motherboard pull-up resistor provides V
OH
to match the motherboard-mounted fan speed monitor requirements, if applicable. Use of the
SENSE signal is optional. If the SENSE signal is not used, pin 3 of the connector should be tied to
GND.
Figure 41. Clip Keepout Requirements for the 370-Pin (Top View)
Comentários a estes Manuais