
UPI-C42/UPI-L42
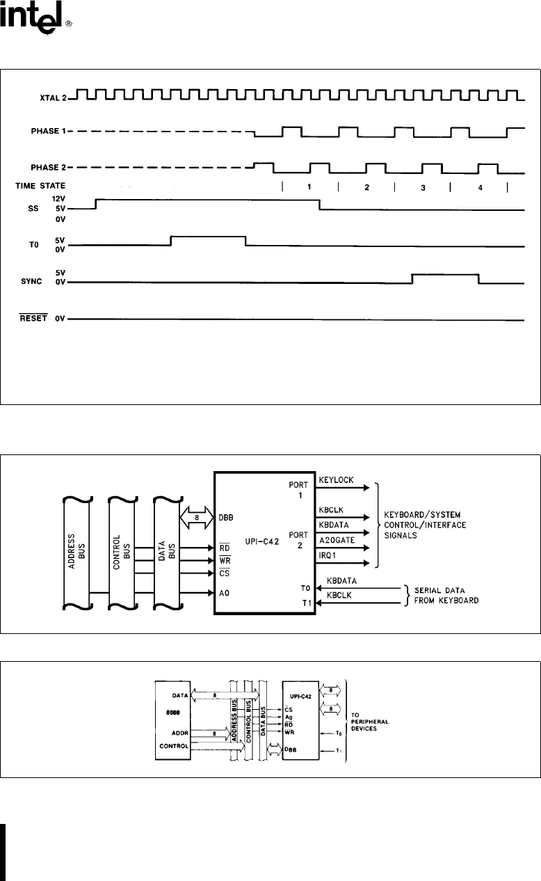
SYNC MODE TIMING DIAGRAMS
290414–15
Minimum Specifications
SYNC Operation Time, t
SYNC
e
3.5 XTAL 2 Clock cycles. Reset Time, t
RS
e
4t
CY
.
NOTE:
The rising and falling edges of T0 should occur during low state of XTAL 2 clock.
APPLICATIONS
290414–12
Figure 7. UPI-C42 Keyboard Controller
290414–9
Figure 8. 8088-UPI-C42 Interface
13
Comentários a estes Manuais