
Intel
®
LXD972M Transceiver Demo Board (Board Rev A1)
8 Preliminary User’s Guide
Document Number: 303125
Revision Number: 002
Revision Date: October 22, 2004
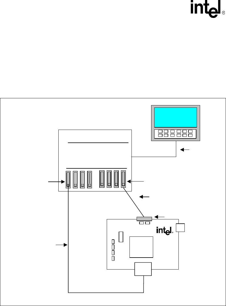
2.2 Typical Test Setup
Figure 1 shows a typical test setup for standard operation of the LXD972M Demo Board.
The LXD972M Demo Board plugs into a SmartBits Advanced Performance Test Box through a
standard 40-pin MII cable (not included with the LXD972M Demo Board). The LXD972M Demo
Board RJ-45 jack connects to the RJ-45 card in the SmartBits test box through a Twisted-Pair
cable. Operation can be set for evaluation of 10 Mbps, 100 Mbps, and auto-negotiation capabilities.
Figure 1. Typical Test Setup
RS-232
Twisted Pair
Crossover
Cable
SmartBits
Advanced Multi-port
Performance
Tester
MII
Cards
Computer with
Smart Windows
MII Cables
MII
Connectors
LXT972M
LXD972M
RJ-45 Card
or
External NIC Cards
B3570-03
Comentários a estes Manuais